
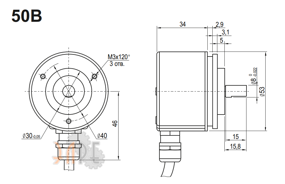
Программируемые инкрементальные энкодеры серии EIP 50 предназначены для точного измерения параметров перемещения различных объектов (скорость, направление вращения, угловое положение и пр.). Серия относится к инкрементальным оптическим или магнитным устройствам, которые выдают определенное число импульсов за один оборот (разрешение). Датчик преобразует угол поворота вращающегося объекта (напр., вала электродвигателя или редуктора) в определенную последовательность электрических цифровых сигналов с заложенной в них информацией. Подключение к персональному компьютеру осуществляется при помощи программатора EP PT-PC, настройка - посредством специально установленного программного обеспечения.
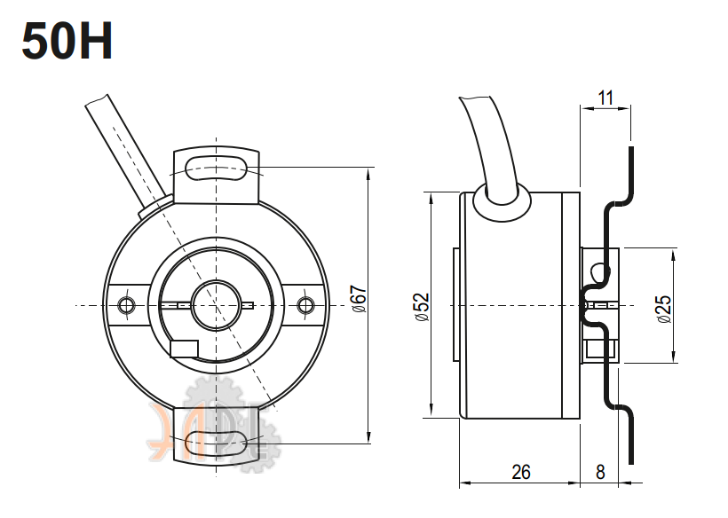
Для передачи крутящего момента на устройство предусмотрена разрезная муфта (поставляется в комплекте с энкодерами с выступающим валом).









| 0 | ||
| 0 | ||
| 0 | ||
| 0 | ||
| 0 |
