электродвигатели-редукторы.рф
+7 (499) 346-21-32+7 (499) 705-01-64 Пн-Пт → 9:00-18:00
Корзина 0 0 руб.

Подберем двигатель по параметрам.

Складской запас и наличие.

Доставка транспортной компанией.

Артикул: vf7215100b5

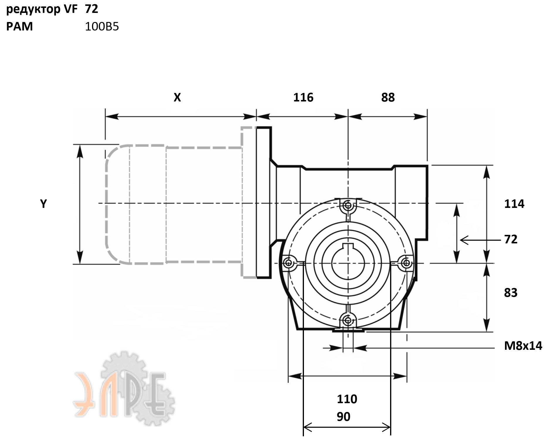
Червячный редуктор ЭЛРЕ VF72 (i=15) вал вх./вых. 250*28/28 мм

В наличии
21 000 руб.
Есть вопросы? Пишите:
MAX
Категории: Редукторы VF

Червячный редуктор VF в круглом корпусе

Червячные редукторы серии VF в круглом корпусе относятся к последнему поколению оборудования в своей отрасли. Позволяют эффективно решать задачи трансмиссии в различных механизмах - подъемники, конвейеры, насосы, транспортеры, приводы ворот и пр. Отличаются компактной конструкцией, малым весом при высокой эффективности. Редукторы VF с червячной передачей обеспечивают продуктивный теплообмен и быстрое рассеивание тепла. Серия представлена линейкой типоразмеров от 27 до 250 с передаточным значением от 7 до 100, что позволяет легко подобрать необходимое решение. Корпус, как и все составляющие оборудования, изготовлены методом литья под высоким давлением, что гарантирует высокую степень надежности и механическую прочность конструкции. Легкий и быстрый монтаж, простота обслуживания. Объем смазки зависит от монтажного положения редуктора.

  • Тип мотор-редуктора: VF
  • Типоразмер: 72
  • Передаточное число: 15
  • Входной моторный фланец: (100B5) 250 мм
  • Входной вал: 28 мм
  • Выходной вал: 28 мм
  • Рекомендуемая мощность двигателя: 2,2 кВт или 3 кВт
  • Рекомендуемое число оборотов входного вала: 1400, 900 или 2800 об/мин
  • Длина: 204 мм
  • Ширина: 120 мм
  • Высота: 197 мм

Рабочие характеристики VF72 (i=15) вал вх./вых. 250*28/28 мм

Рабочие характеристики VF72 (i=15) вал вх./вых. 250*28/28 мм

Рабочие характеристики

Размеры ЭЛРЕ VF72 (i=15) вал вх./вых. 250*28/28 мм

Габаритные и присоединительные размеры ЭЛРЕ VF72 (i=15) вал вх./вых. 250*28/28 мм

Тип оборудования
Редуктор
Фирма изготовитель
ЭЛРЕ
Страна изготовитель
Китай
Серия
VF
Тип размер редуктора
72
Передаточное отношение
15
Габарит двигателя
100
Входной вал [мм]
28
Выходной вал [мм]
28
Подключение двигателя через:
Большой фланец (B5)
Возможная мощность двигателя:
2,2 кВт, 3,0 кВт
Типо размер входного фланца [мм]
250

Средняя оценка покупателей:  (0)

0
0
0
0
0
Loading...

Предложение не является публичной офертой. Обратите внимание на это. Узнать подробности можно на странице Как заказать.