электродвигатели-редукторы.рф
+7 (499) 346-21-32+7 (499) 705-01-64 Пн-Пт → 9:00-18:00
Корзина 0 0 руб.

Подберем двигатель по параметрам.

Складской запас и наличие.

Доставка транспортной компанией.

Артикул: vf633880b14

Червячный редуктор ЭЛРЕ VF63 (i=38) вал вх./вых. 120*19/25 мм

В наличии
13 950 руб.
Есть вопросы? Пишите:
MAX
Категории: Редукторы VF

Червячный редуктор VF в круглом корпусе

Червячные редукторы серии VF в круглом корпусе относятся к последнему поколению оборудования в своей отрасли. Позволяют эффективно решать задачи трансмиссии в различных механизмах - подъемники, конвейеры, насосы, транспортеры, приводы ворот и пр. Отличаются компактной конструкцией, малым весом при высокой эффективности. Редукторы VF с червячной передачей обеспечивают продуктивный теплообмен и быстрое рассеивание тепла. Серия представлена линейкой типоразмеров от 27 до 250 с передаточным значением от 7 до 100, что позволяет легко подобрать необходимое решение. Корпус, как и все составляющие оборудования, изготовлены методом литья под высоким давлением, что гарантирует высокую степень надежности и механическую прочность конструкции. Легкий и быстрый монтаж, простота обслуживания. Объем смазки зависит от монтажного положения редуктора.

  • Тип мотор-редуктора: VF
  • Типоразмер: 63
  • Передаточное число: 38
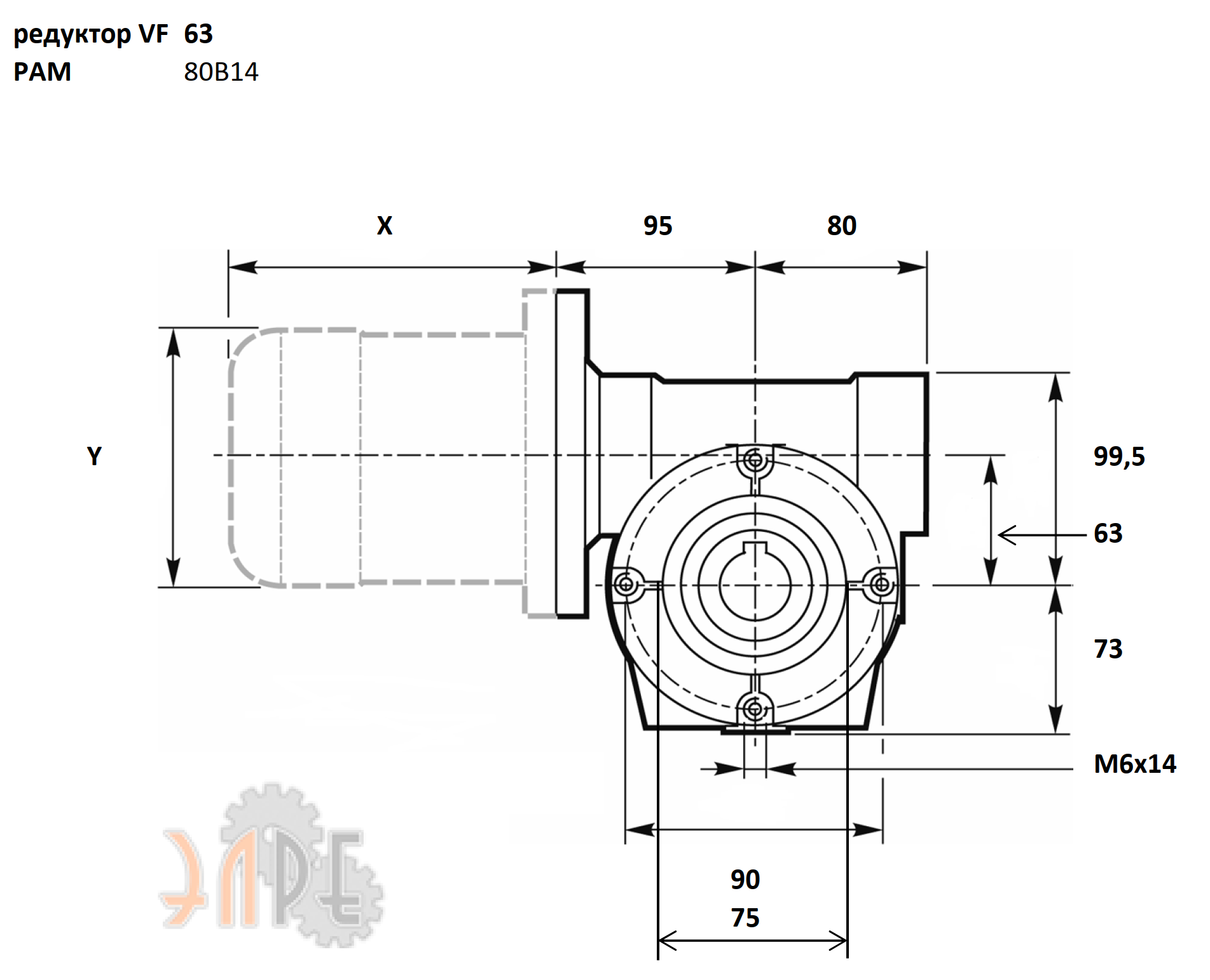
  • Входной моторный фланец: (80B14) 120 мм
  • Входной вал: 19 мм
  • Выходной вал: 25 мм
  • Рекомендуемая мощность двигателя: 0,55 кВт, 0,75 кВт или 1,1 кВт
  • Рекомендуемое число оборотов входного вала: 1400, 900 или 2800 об/мин
  • Длина: 175 мм
  • Ширина: 120 мм
  • Высота: 172,5 мм

Рабочие характеристики VF63 (i=38) вал вх./вых. 120*19/25 мм

Рабочие характеристики VF63 (i=38) вал вх./вых. 120*19/25 мм

Рабочие характеристики

Параметры работы VF63 (i=38) вал вх./вых. 120*19/25 мм

Размеры ЭЛРЕ VF63 (i=38) вал вх./вых. 120*19/25 мм

Габаритные и присоединительные размеры ЭЛРЕ VF63 (i=38) вал вх./вых. 120*19/25 мм

Тип оборудования
Редуктор
Фирма изготовитель
ЭЛРЕ
Страна изготовитель
Китай
Серия
VF
Тип размер редуктора
63
Передаточное отношение
38
Габарит двигателя
80
Входной вал [мм]
19
Выходной вал [мм]
25
Подключение двигателя через:
Малый фланец (B14)
Возможная мощность двигателя:
0,55 кВт, 0,75 кВт, 1,1 кВт
Типо размер входного фланца [мм]
120

Средняя оценка покупателей:  (0)

0
0
0
0
0
Loading...

Предложение не является публичной офертой. Обратите внимание на это. Узнать подробности можно на странице Как заказать.